欢迎光临本站
设为首页 | 收藏本站
公司主营:食品机械生产、来料加工、非标零件加工、不锈钢搅龙
0316-3228600  
13803161395(微信号)
咨询服务热线
产品详情
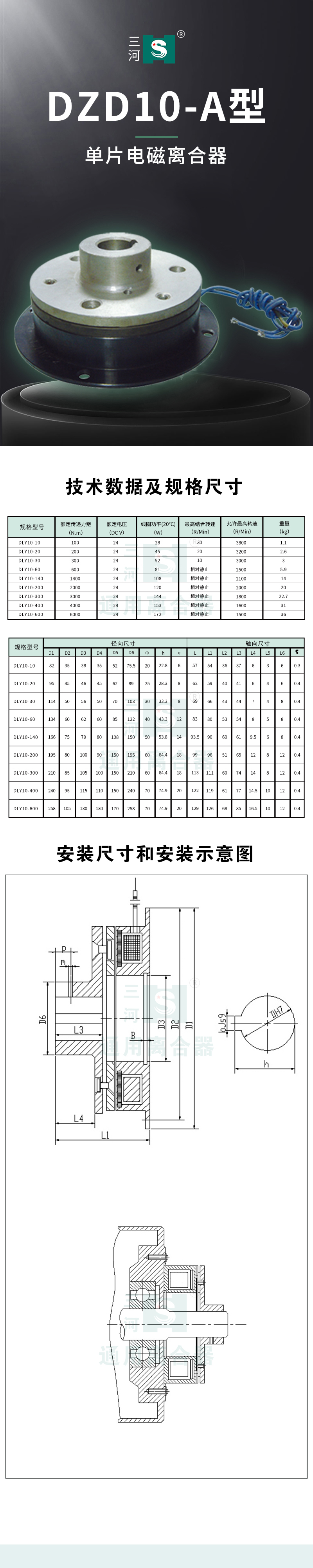
DZD10系列-A型
分享到:

DZD10系列-A型

 
本公司专业生产电磁离合器,电磁制动器的企业。企业已通过ISO9001:2000国际质量体系认证。公司现有30多个系列1000多种规格的产品,产品包括湿式多片电磁离合器,干式多片电磁离合器制动器,牙嵌式电磁离合器,单片电磁离合器,制动器,气动多片电磁离合器,制动器,电机离合器,电机制动器等。产品广泛用于机床,包装,印刷,造纸,纺织机械和自动化设备,理石机械,冶金及木工机械等机械传动系列中作为执行元件
评论:0
品牌 三河
型号 DZD10系列-A型
厂商热线 0316-3228600
联系人 贺女士
产品详情
产品评论(0)

DZD10-A型.jpg